Call or Text: (855) GO-MIATA
Free Shipping Over $56*
Garage 56 is a Mazda Motorsports Preferred Race Shop and carries a full suite of Mazda OEM parts direct from the factory. In support of our racers and Mazda owners we have made available our digital parts catalog and diagrams.
How to:
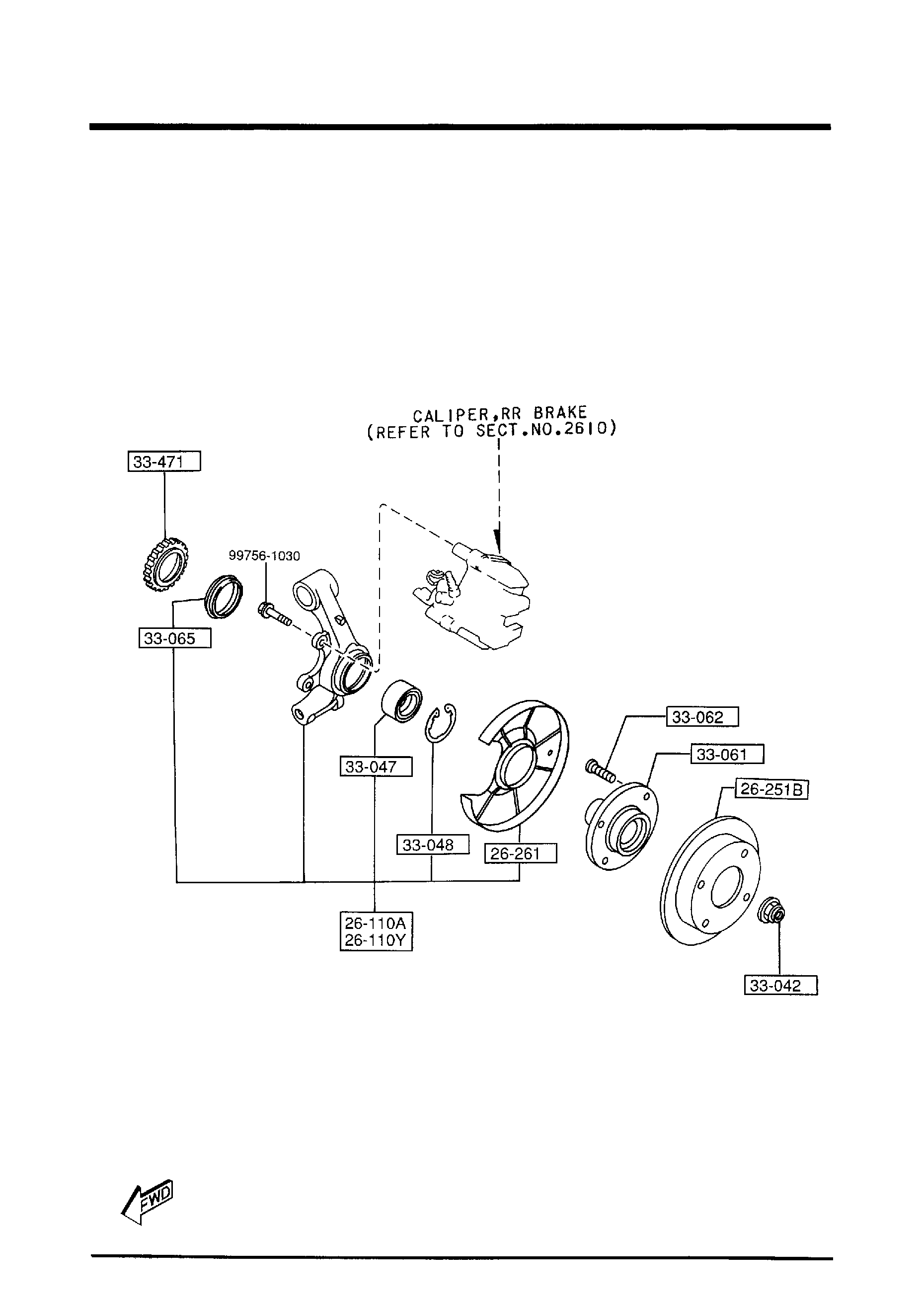
Reference the factory parts diagram to locate the desired part or component and match it in the parts list below - some parts are available as a kit (usually marked by a surrounding box).
The diagram part number can also be directly referenced in the table below if you already know what part # you're looking for!
Note: Some parts have specific fitment specifications (e.g. transmission type or trim level) - drop us an email and we'd be glad to help ensure you get the right part!
Default Title
Default Title
Default Title
Default Title
Default Title
Default Title
Default Title
Default Title
Default Title
Default Title
Default Title
Default Title
Default Title
Default Title
Default Title
Default Title
